Wirewalker configuration
First, you need a WW system. This is the mechanical components including the buoy, the weights, and the Wirewalker itself. You also need a wire. The Wirewalker as illustrated below can be drifting (must not contact the sea bed) or anchored (must have a separate tether to the anchor).
Buoy: The buoy has enough buoyancy reserve to handle 1000m of cable. However, for deeper applications, you will also need to quote a different density foam for the Wirewalker

Inside the buoy, the RBRcervello is mounted. This includes the cable and ferrite holder that is hung on the buoy arm. Note that the RBRcervello will not work with other 3rd party instruments.

See also MLM inductive modem
The parts are separated as shown below.
0003534 is the WW itself, with the buoy, profiler, and weights.
You need a wire rope (insulated) to connect the buoy to the weights: either 0003846 or 0003535 (we can do other lengths as well) This jacketed wire is terminated in a large boot, then there is a galvanized eye for connection to the buoy and weights as well as stoppers below the eye for the WW to hit and change direction.
If you want real time data, you need an RBRcervello (0002285 or 0004437) and the battery packs (2x 0002854). The cable from the top of the RBRcervello is protected in PE sleeving and runs through the buoy and along the buoy arm (0003813, FAWL-4P-MP to PMCIL-2-MP, 1.5m, WW DATA CNTL.). Note the short ferrite holder with MCBH(0003813) is affixed to the buoy arm, rather than the long version (0003673).
There is a good photo of the buoy arm, which is designed to flex to reduce strain on the ferrite holder when the cable moves on this page MLM This page has other useful information too.
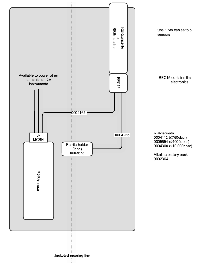
For the actual instrumentation, you need an RBRconcerto or RBRmaestro. If you want real time data, the instrument needs a BEC15 and INT15, cabled via 0004265 WireWalker OEM-MLM cable, MCIL-2-FS to MCIL-2-MP, 0.65m to ferrite holder (0003673).. If you want only an autonomous system, then the BEC12 and INT12 are fine.
Sensor cables: Be sure to specify 1.5m sensor cable rather than the usual 0.6m cable. There are some specific sensor cables such as 0004986 Turner Cyclops-7 Cable, MCIL-6-FS to MCIL-6-MP, 1.5m. Rinko, C-Star etc. Other sensors e.g RBR ODO use 0002946.
In all cases, you need an RBRfermata (0004112) and the battery pack (0002364). it is cabled to the instrument with 0002163.

Cable notes: 0004265 WireWalker OEM-MLM cable, MCIL-2-FS to MCIL-2-MP, 0.65m. For reference, it used to be a 0.45m cable with L2 units. Now with the shorter L3, we need the 0.65m cable.