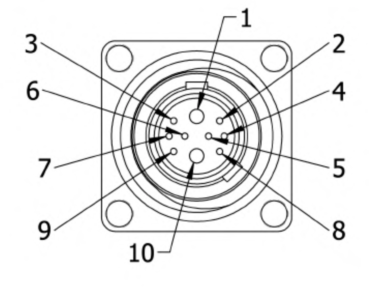
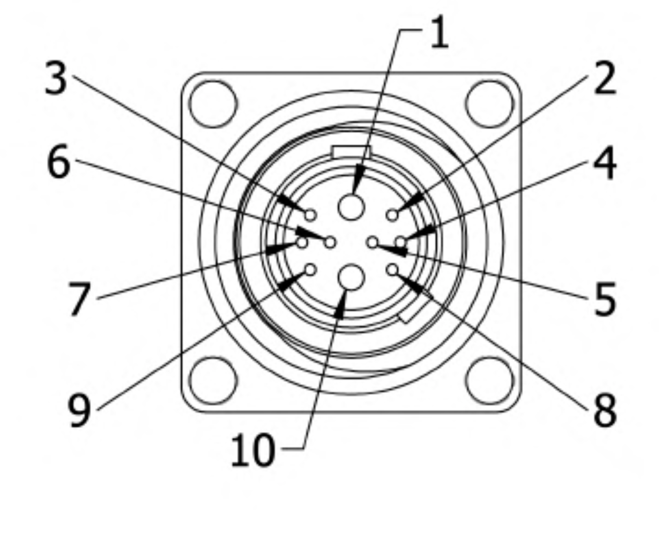
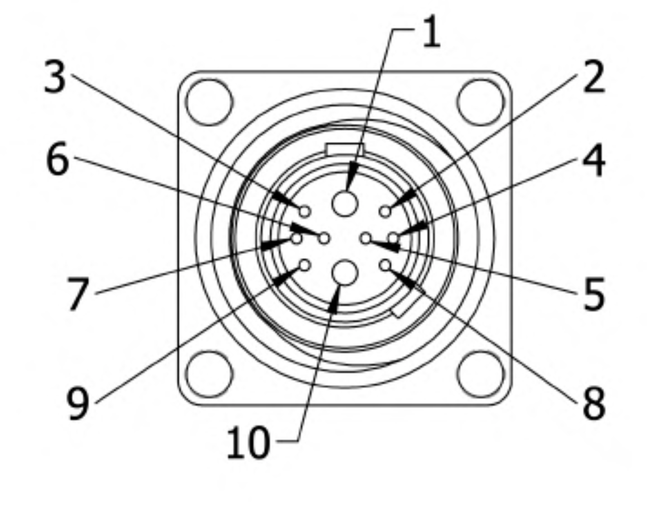
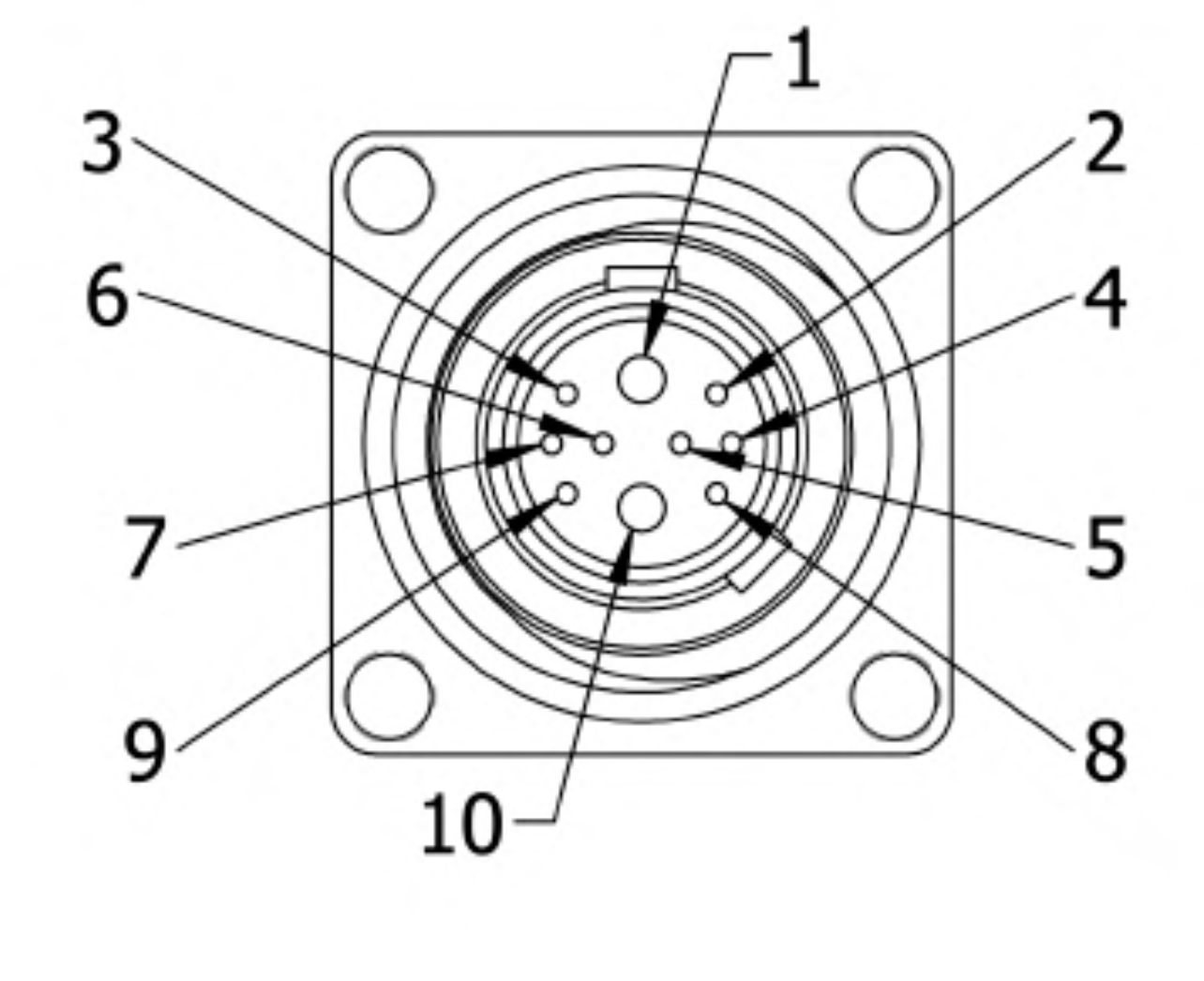
MINK-10-FCR pinout - APT, BPR, BPR | zero
The RBRquartz³ APT comes with a MINK connector. The RBRquartz³ BPR and RBRquartz³ BPR | zero can be manufactured with MINK or MCBH connectors.
The MINK-10-FCR pinouts are very similar between the three types of instruments, the only difference being the RBRquartz³ BPR | zero has a more narrow power range.
![]() | Pin No. | RS-232 | RS-485 | Ethernet |
1 | Power: 4.5V to 30V (APT, BPR) or 9.5V to 30V (BPR | zero) | |||
2 | N/C | From the instrument (Rx-) | From the instrument (Tx+) | |
3 | N/C | N/C | Into the instrument (Rx+) | |
4 | From the instrument (Tx) | Into the instrument (Rx+) | From the instrument (Tx-) | |
5 | Ground | |||
6 | Into the instrument (Rx) | From the instrument (Tx+) | N/C | |
7 | N/C | N/C | Into the instrument (Rx-) | |
8 | N/C | |||
9 | N/C | Into the instrument (Tx-) | N/C | |
10 | Ground | |||
The RBRquartz³ BPR | zero has a more narrow power range than other RBR instruments.

RBRquartz³ BPR | zero end-cap with two MINK connectors

RBRquartz³ APT with a MINK connector
